|
省配線產品
|
模擬輸出隔離冗余端子板XS-8RAO-I-R 通道數:8 路 模 式:雙線制模擬量輸出,冗余輸入,三端隔離 信號類型: 電流4~20mA 輸出 配套隔離器:宇通產品 安裝形式:M5\M6 螺釘 配套卡件: S7-300PLC: 6ES7 332-5HF00 等。
內部接口表:
原理圖:
接線圖:
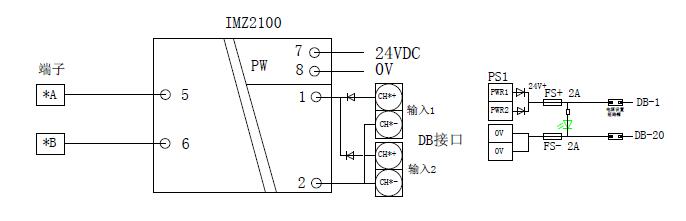
配套隔離器: 通用輸入隔離器:IMZ-2100S 電源設置: 每個DB 口都含有2 芯電源線,用于向PLC 模塊供電。這些電源由電源輸出設置的短路帽進行控制,每個短路帽對應一根線,詳見右圖,送電前應根據需要進行設置。電源指示在保險下方,電源接反或保險燒斷時電源燈不亮。 每個口的1 和20 號針可為PLC 提供模塊電源。例:如果本端子板配2 塊5HF00 模塊,該模塊需供電,則對應該模塊的4 個短路帽均保留;
|
||||||||||||||||||||||||||||||||||||||||||||||||||||||||||||||||||||||||
| 上一篇: XS-8AO-I-S 模擬隔離輸出板 | 下一篇: XS-8RAV-I-R 模擬隔離輸入冗余板 |




