|
省配線產品
|
直連端子板XS-1D-TC 通道數:8 路直通(TC)可提高測量精度外部補償電阻 安裝形式:M5\M6 螺釘固定 配套卡件: S7-300PLC:6ES7 331-7PF11 等。
內部接口表:
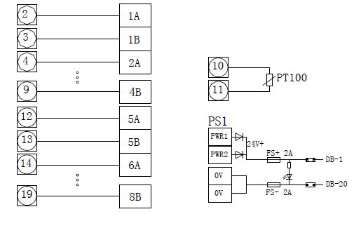
原理圖: 本模塊為直連接法,DB 針直接連通對應端子。 2-9/12-19 針為信號線,第10/11 線為補償電阻線,第1/20 線為電源線。
電源設置: DB 口含有2 芯電源線,用于向PLC 模塊供電。這些電源由電源輸出設置的短路帽進行控制,每個短路帽對應一根線,送電前應根據需要進行設置。 |
||||||||||||||||||||||||||||||||||||||||||||||||||||||||||||||||
| 上一篇: 返回列表 | 下一篇: XS-6AI2AO-I-S 模擬隔離板(6入2出) |



