|
省配線產品
|
繼電器輸入冗余端子板XS-16RDI-RL 通道數:16 路 模式:單線制數字量輸入,冗余輸出,繼電器隔離 信號類型:電平、干接點、三線開關NPN/PNP 信號輸出:高電平、低電平可選 安裝形式:M5\M6 螺釘 配套卡件: S7-300PLC: 6ES7 321-1BH02\1BH10
內部接口表:
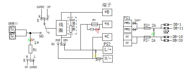
原理圖:
接線圖:
常用設置: 改變開關K 位置可改變信號輸出制式: H:輸出為高有效,適合歐美PLC; L:輸出為低有效,適合日臺PLC 信號反向:背面焊連 改變開關K2 位置可改變信號輸入制式:PNP 或NPN 干接點是采用PNP 型式 電源設置: DB 口含有4 芯電源線,用于向PLC 模塊供電。這些電源由電源輸出設置的短路帽進行控制,每個短路帽對應一根線,詳見右圖,送電前應根據需要進行設置。電源指示在保險下方,電源接反或保險燒斷時電源燈不亮。 注意:為實現信號的徹底隔離,內外電源必須做到隔離,因此本板需要外部電源,在端子板的左下角標注為L+/N-的端子為外部電源端子,須提供DC24V。外部信號為有源信號時該電源無需提供。端子塊右側為電源負端保險FN-。 注意:輸入電壓等級與繼電器線圈電壓必須一致。
|
||||||||||||||||||||||||||||||||||||||||||||||||||||||||||||||||||||||||||||||
| 上一篇: XS-16RDIO 數字輸入輸出冗余板 | 下一篇: XS-16RDO-RL 繼電器輸出冗余板 |




